News News News News
  • 地址:江苏省南京市莫愁路90-3号
  • 电话:+86-25-52217447
  • 电话:+86-25-86629730
  • 电话:+86-25-86622491
  • 电话:+86-25-86622492
  • 电话:+86-25-86622493
  • 传真:+86-25-52300551
  • 邮件:hrbn@hrbnbearing.com
  • 联系人:刘长岭
  • 网址:www.8767.com

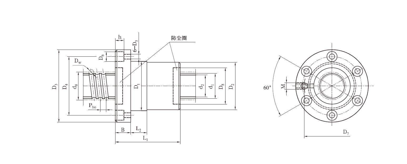
FFQ2504-2滚珠丝杠-南京工艺装备制造有限公司

规格公称公称丝杠钢球丝杠循环基本刚度螺母安装连接尺寸
代号直径导程外径直径底径额定负荷Kc
滚珠d0Ph0d1Dwd2圈数动载荷静载荷N/μm
丝杆

C

a(KN)

Coa

(KN)

D1

(g6)

D2(L2D3BD4D5D6hD7MD8L1
HRBN)
FFQ2004-220419.32.38117.525.210.23563636106211485.810640M62549
19.1316.9
FFQ2005-220519.53.516.926.412.23643636106211485.810642M62555
FFQ2504-225424.1321.925.913.54454040106611535.810646M63049
FFQ2505-225524.53.521.927.315.74464040106611535.810646M63055
FFQ2506-225623.9420.927.915.84324040106611535.810646M63065
FFQ3204-232431.1328.926.818.64475050107611635.810656M63847
FFQ3205-232531.53.528.928.221560505010821367712762M63856
FFQ3206-232630.9427.929.221.4569505010821367712762M63865
FFQ3210-2321032.57.14427.3218.133.5524535315901571915970M64496
FFQ4005-240539.53.538.929.227695606010941575915974M64858
FFQ4006-240638.9435.9210.629.2690606010941575915974M64868
FFQ4008-240838.6537.921434705636315108188511181185M65084
FFQ4010-2401039.57.14434.3221.144.2660636315108188511181185M8×150101
FFQ5005-2505493.546.4210348227171151101590915984M8×16058
FFQ5006-250648.9445.921238.18307171151101590915984M8×16068
FFQ5008-250848.6544.9215.844.6861757515118189511181190M8×16087
FFQ5010-2501049.57.14444.3225.362.1864757515118189511181190M8×16010