News News News News
  • 地址:江苏省南京市莫愁路90-3号
  • 电话:+86-25-52217447
  • 电话:+86-25-86629730
  • 电话:+86-25-86622491
  • 电话:+86-25-86622492
  • 电话:+86-25-86622493
  • 传真:+86-25-52300551
  • 邮件:hrbn@hrbnbearing.com
  • 联系人:刘长岭
  • 网址:www.8767.com

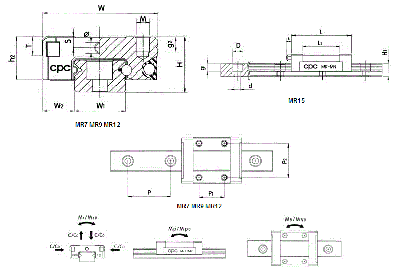
MR15ML微型滑块标准型线性滑轨尺寸规格

型号规格
组装尺寸
轨道尺寸(mm)
滑座尺寸(mm)
基本额定负荷(N)
静扭矩(Nm)
重量
H
W2
W1
H1
P
D×d×g1
W
L
L1
P1
P2
Φ
E
h2
M×g2
S
T
C(dyn.)
Co(stat.)
Mro
Mpo
Myo
Block
g
Rail
g/m
MR 15ML

16

8.5
15
9.5
40
6×3.5×4.5
32
60
44
25
25
2.5
3.6
12
M3×5.5
2.8
4.3
5350
9080
70
26.9
26.9
90
1010
MR 15MN
16
8.5
15
9.5
40
6×3.5×4.5
32
43
27
20
25
2.5
3.6
12
M3×5.5
2.8
4.3
3810
5590
43.6
10.9
10.9
53
1010
MR 12ML
13
7.5
12
7.5
25
6×3.5×4.5
27
47.4
34
20
20
2.0
-
10
M3×3.5
2.6
4.3
3240
5630
34.9
16.0
16.0
51
600
MR 12MN
13
7.5
12
7.5
25
6×3.5×4.5
27
35.4
22
15
20
2.0
-
10
M3×3.5
2.6
4.3
2308
3465
21.5
9.5
9.5
34
600
MR 9ML
10
5.5
9
5.5
20
6×3.5×4.5
20
39.5
29.5
16
15
1.5
-
7.8
M3×2.8
2.2
3.3
2135
3880
18.2
12.4
12.4
25
330
MR 9MN
10
5.5
9
5.5
20
6×3.5×4.5
20
30.5
19.5
10
15
1.5
-
7.8
M3×2.8
2.2
3.3
1570
2495
11.7
6.4
6.4
17
330
MR 7ML
8
5
7
4.7
15
4.2×2.4×2.3
17
30.4
23
13
12
1.2
-
6.5
M2×2.5
1.7
2.8
1310
2440
9.0
7.7
7.7
16
230
MR 7MN
8
5
7
4.7
15
4.2×2.4×2.3
17
21.7
14.3
8
12
1.2
-
6.5
M2×2.5
1.7
2.8
890
1400
5.2
3.3
3.3
9
230
MR 5ML
6
3.5
5
3.5
15
3.5×2.4×1
12
19.5
13.5
7
-
0.8
-
4.5
M2.6×2.0
1.1
2
470
900
2.4
2.1
2.1
3.3
120
MR 5MN
6
3.5
5
3.5
15
3.5×2.4×1
12
16
10
-
8
0.8
-
4.5
M2×1.5
1.1
2
335
550
1.7
1.0
1.0
3
120
MR 3ML
4
2.5
3
2.6
10
M1.6
8
16
11
-
5.5
-
-
3.3
M2×1.1
-
1.5
295
575
0.9
1.1
1.1
1.2
53
MR 3MN
4
2.5
3
2.6
10
M1.6
8
11.7
6.7
-
3.5
-
-
3.3
M1.6×1.1
-
1.5
190
310
0.6
0.4
0.4
0.9
53