News News News News
  • 地址:江苏省南京市莫愁路90-3号
  • 电话:+86-25-52217447
  • 电话:+86-25-86629730
  • 电话:+86-25-86622491
  • 电话:+86-25-86622492
  • 电话:+86-25-86622493
  • 传真:+86-25-52300551
  • 邮件:hrbn@hrbnbearing.com
  • 联系人:刘长岭
  • 网址:www.8767.com

GGB65I滑块、GGB65I导轨、GGB65I维修、GGB65I价格、GGB65I参数、GGB65I样本、GGB65I图纸、GGB65I产品大全

 

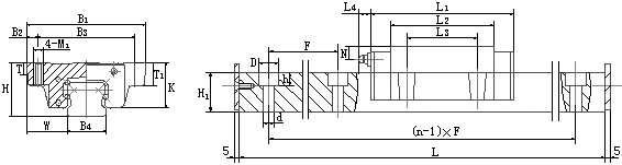
型 号

导轨副

滑块尺寸

尺寸

H

W

B1

B2

B3

K

T

T1

M1

L1

L2

L3

GGB16AA

24

15.5

47

4.5

38

19.4

7

11

M5

58

40.5

30

GGB20AA

30

21.5

63

5

53

24

10

10

M6

70

50

40

GGB20AAL

86

66

GGB25AA

37

23.5

70

6.5

57

30.5

12

16

M8

79.5

59

45

GGB25AAL

-36

98.5

78

GGB30AA

42

31

90

9

72

35

10

18

M10

95.2

70

52

GGB30AAL

117.2

92

GGB35AA

48

33

100

9

82

38

13

21

M10

107.8

81

62

GGB35AAL

131.8

105

GGB45AA

62

37.5

120

10

100

51

15

25

M12

135

102

80

GGB45AAL

-60

163

130

GGB55AA

70

43.5

140

12

116

57

20

29

M14

161

118

95

GGB55AAL

199

156

GGB65AA

90

53.5

170

14

142

76

23

37

M16

195

147

110

GGB65AAL

255

207

GGB85AA

110

65

215

15

185

94

30

55

M20

243.4

179

140

GGB85AAL

300.4

236

 导轨尺寸

油杯尺寸

额定

额定

额定力矩

动载

静载

d×D×h

B4

H1

F

单根

L4

G

N

C

C0

MA

MB

MC

最大

(KN)

(KN)

(N.m)

(N.m)

(N.m)

长度Lmax

4.5×7.5×5.3

16

15

60

500

2.5

Φ4

4

6.07

6.8

55.5

55.5

88.8

6×9.5×8.5

20

18

60

1400

11

M6

6

11.6

14.5

92.4

92.4

154

13.6

20.3

121.8

121.8

203

7×11×9

23

22

60

3000

11

M6

7.2

17.7

22.6

149.8

149.8

246

20.7

34.97

244.8

244.8

402

9×14×12

28

26

80

3000

11

M6

7

27.6

34.4

311.3

311.3

546

33.4

45.8

560

560

745.2

9×14×12

34

29

80

3000

11

M6

8

35.1

47.2

488

488

790

39.96

64.85

681

681

1102.45

14×20×16

45

38

100

3000

11

M6

12

42.5

71

848

848

1448

-105

64.4

102.1

1345.4

1345.4

2247.25

16×23×20

53

44

120

3000

14

M8×1

12

79.4

101

1547

1547

2580

92.2

142.5

2264.3

2264.3

3776.25

18×26×22

63

53

150

3000

14

M8×1

12

115

163

3237

3237

4860

148

224.5

4627.5

4627.5

6945.75

24×35×28

85

65

180

3000

14

M8×1

14

172.2

257.4

6076.4

6076.4

12842

202.3

327.6

9946.3

9946.3

15410